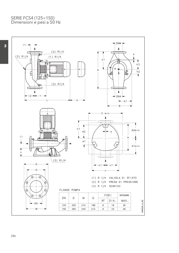
SERIE FCS4 (125÷150)

Dimensioni e pesi a 50 Hz

2

286