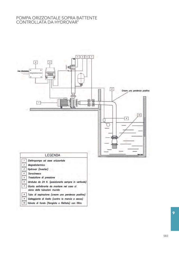
POMPA ORIZZONTALE SOPRA BATTENTE

CONTROLLATA DA HYDROVAR

®

583

9