Gamma risciacquo wc

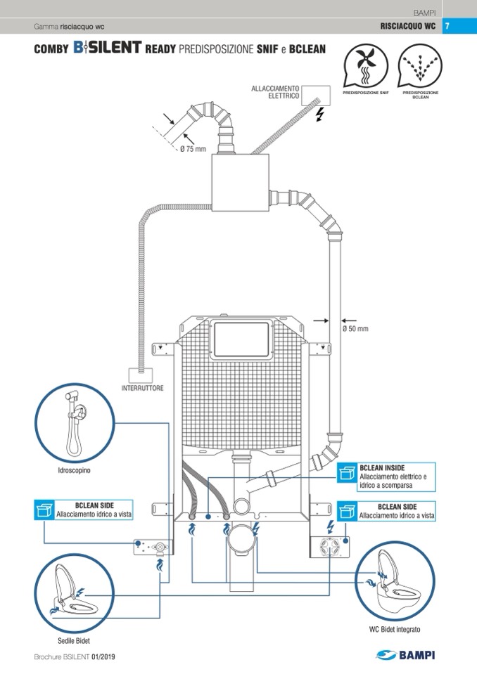
COMBY

BAMPI

RISCIACQUO WC 7

Idroscopino

BCLEAN SIDE

Allacciamento idrico a vista

BCLEAN INSIDE

Allacciamento elettrico e

idrico a scomparsa

BCLEAN SIDE

Allacciamento idrico a vista

Sedile Bidet

Brochure BSILENT 01/2019

READY PREDISPOSIZIONE SNIF e BCLEAN

WC Bidet integrato