TECEflex – Disegni tecnici

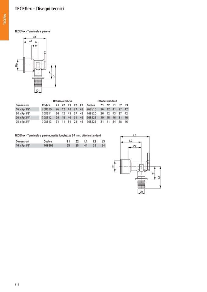
TECEflex - Terminale a

parete

L3

L2

D1

Bronzo al silicio

Ottone standard

Z

1

Z

2

L

1

L

2

L3

2

6

1

2

4

1

2

7

42

2

6

1

2

4

3

2

7

42

2

9

1

5

4

6

3

1

46

3

1

1

1

5

4

2

8

46

Dimensioni

16 x Rp 1/2"

20 x Rp 1/2"

20 x Rp 3/4"

25 x Rp 3/4"

Codice

Z1

708610 26

708611 26

708612 29

708613 31

Z

2

L

1

L

2

L3

Codice

1

2

4

1

2

7

42

768516

1

2

4

3

2

7

42 768520

1

5

4

6

3

1

46

768525

1

1

5

4

2

8

46 768526

TECEflex - Terminale a parete, uscita lunghezza 54 mm, ottone standard

L3

L2

Z2

Dimensioni

16 x Rp 1/2"

Codice

Z1

Z2

768503

25

25

L1

L2

41

39

L3

54

D1

316

L

1

Z

1

R

p

Z

1

L

1

R

p

T

E

C

E

f

l

e

x