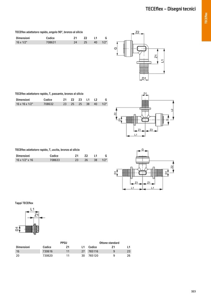
TECEflex adattatore rapido, angolo 90°, bronzo al silicio

Dimensioni

Codice

Z1

Z2

16 x 1/2"

708631

24

25

Z2

TECEflex adattatore rapido, T, passante, bronzo al silicio

Dimensioni

Codice

Z1 Z2 Z3 L1

16 x 16 x 1/2"

708632

23 25 25 38

D1

TECEflex adattatore rapido, T, uscita, bronzo al silicio

G

Dimensioni

16 x 1/2" x 16

Tappi TECEflex

L1

Z1

Codice

708633

Z1

23

Z2

26

L1

G

38 1/2"

Dimensioni

16

20

PPSU

Codice

Z1

730616

11

730620

11

Ottone standard

L1 Codice

Z1

L1

27 765116

9

23

30 765120

9

26

L1

G

40 1/2"

L2

G

40 1/2"

L1

L1

L1

Z1

Z1

Z1

Z3

D1

TECEflex – Disegni tecnici

D

1

D

1

Z

2

G

D

1

G

Z

2

L

2

D

1

Z

1

L

1

T

E

C

E

f

l

e

x

323