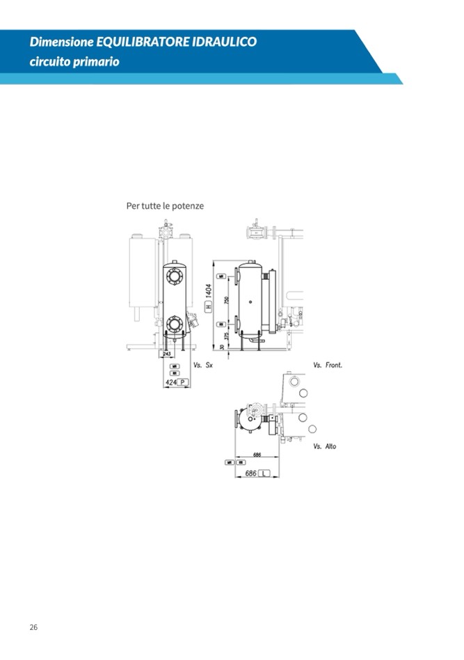
Dimensione EQUILIBRATORE IDRAULICO

circuito primario

26

Per tutte le potenze