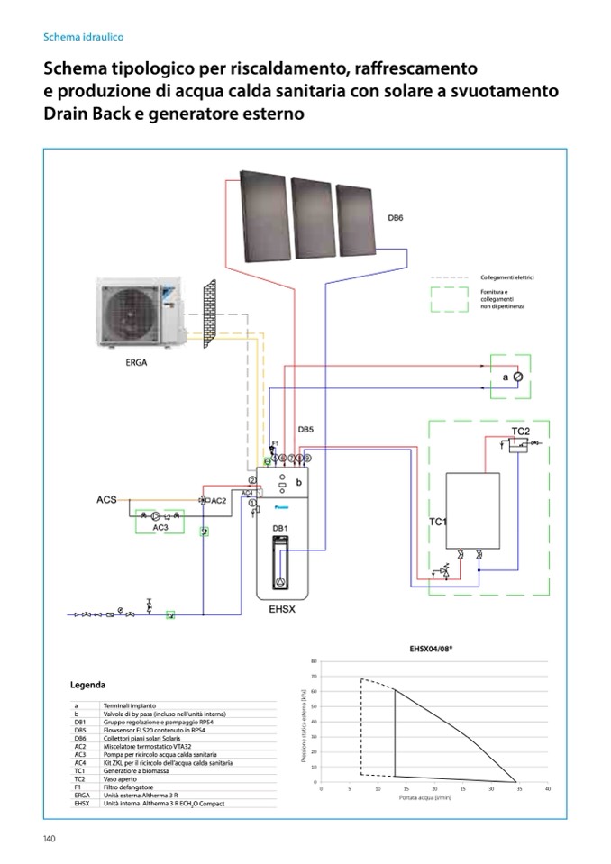
Schema idraulico

Schema tipologico per riscaldamento, raffrescamento

e produzione di acqua calda sanitaria con solare a svuotamento

Drain Back e generatore esterno

Legenda

a

Terminali impianto

O AC

b

Valvola di by pass (incluso nell’unit

à interna)

SANI

L LIQ

L GA

DB5

Flowsensor FLS20 contenuto in RPS4

NTO

DB1

Gruppo regolazione e pompaggio RPS4

DB6

Collettori piani solari Solaris

AC2

Miscelatore termostatico VTA32

AC3

Pompa per ricircolo acqua calda sanitaria

AC4

Kit ZKL per il ricircolo dell’acqua calda sanitaria

TC1

Generatiore a biomassa

TC2

Vaso aperto

F1

Filtro defangatore

ERGA

Unit

à esterna Altherma 3 R

EHSX

Unit

à interna Altherma 3 R ECH

2

O Compact

NTO

RE D

P

r

e

s

s

i

o

n

e

s

t

a

t

i

c

a

e

s

t

e

r

n

a

[

k

P

a

]

DB6

ERGA

ERGA

Collegamenti elettrici

Fornitura e

collegamenti

non di pertinenza

a

TC2

ACS

AC2

DB5

F1

56789

2

AC4

1

EHSX

AC3

TC1

EHSX04/08*

DB1

b

3

4

1.COLLEGAMENT

2

7.MANDATA SOL

8.MANDATA BIV

5 6 7 8 9

3.TUBAZIONE DE

AC4

9.RITORNO BIV

1

Portata acqua [l/min]

FREDDA

2.ACQUA CALDA

4.TUBAZIONE DE

5.RITORNO IMPIA

6.MANDATA IMPI

QUA

TARIA

UIDO

S

A

A

B

140

E

H

S

X