> RXA-I PLUS

POMPE DI CALORE REVERSIBILI PER INSTALLAZIONE ESTERNA CON COMPRESSORE DC INVERTER

> RXA-I PLUS

POMPE DI CALORE REVERSIBILI PER INSTALLAZIONE ESTERNA CON COMPRESSORE DC INVERTER

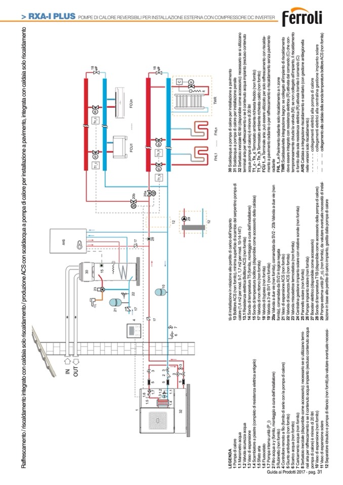
1

7

1

5

2

8

1

8

1

8

R

a

f

f

r

e

s

c

a

m

e

n

t

o

/

r

i

s

c

a

l

d

a

m

e

n

t

o

i

n

t

e

g

r

a

t

o

c

o

n

c

a

l

d

a

i

a

s

o

l

o

r

i

s

c

a

l

d

a

m

e

n

t

o

/

p

r

o

d

u

z

i

o

n

e

A

C

S

c

o

n

s

c

a

l

d

a

c

q

u

a

a

p

o

m

p

a

d

i

c

a

l

o

r

e

p

e

r

i

n

s

t

a

l

l

a

z

i

o

n

e

a

p

a

v

i

m

e

n

t

o

,

i

n

t

e

g

r

a

t

a

c

o

n

c

a

l

d

a

i

a

s

o

l

o

r

i

s

c

a

l

d

a

m

e

n

t

o

1

1

.

5

1

.

6

1

.

7

5

3

I

N

O

U

T

A

H

S

2

1

2

3

T

1

_

c

M

1

T

n

_

c

M

n

3

0

4

2

2

1

7

M

2

0

b

2

0

a

F

C

U

1

.

.

.

.

.

.

.

F

C

U

n

1

7

M

1

.

3

1

.

2

5

2

3

1

0

T

1

_

h

M

1

T

n

_

h

M

n

1

.

4

1

.

1

3

2

5

3

3

L

E

G

E

N

D

A

1

P

o

m

p

a

d

i

c

a

l

o

r

e

1

.

1

M

a

n

o

m

e

t

r

o

a

c

q

u

a

1

.

2

V

a

l

v

o

l

a

s

i

c

u

r

e

z

z

a

a

c

q

u

a

1

.

3

V

a

s

o

d

i

e

s

p

a

n

s

i

o

n

e

1

.

4

S

c

a

m

b

i

a

t

o

H

r

e

a

Y

p

i

a

_

s

t

r

6

e

(

c

o

m

p

l

e

t

o

d

i

r

e

s

i

s

t

e

n

z

a

e

l

e

t

t

r

i

c

a

a

n

t

i

g

e

l

o

)

1

.

5

S

f

i

a

t

o

a

r

i

a

1

.

6

F

l

u

s

s

o

s

t

a

t

o

1

.

7

P

o

m

p

a

i

n

t

e

r

n

a

u

n

i

t

a

̀

(

P

_

i

)

2

F

i

l

t

r

o

a

c

q

u

a

a

y

(

f

o

r

n

i

t

o

,

m

o

n

t

a

g

g

i

o

a

c

u

r

a

d

e

l

l

i

n

s

t

a

l

l

a

t

o

r

e

)

3

R

u

b

i

n

e

t

t

o

(

n

o

n

f

o

r

n

i

t

o

)

4

C

o

n

t

r

o

l

l

o

r

e

r

e

m

o

t

o

a

f

i

l

o

(

f

o

r

n

i

t

o

d

i

s

e

r

i

e

c

o

n

l

a

p

o

m

p

a

d

i

c

a

l

o

r

e

)

5

G

i

u

n

t

o

a

n

t

i

v

i

b

r

a

n

t

e

(

n

o

n

f

o

r

n

i

t

o

)

6

S

c

a

r

i

c

o

a

c

q

u

a

(

n

o

n

f

o

r

n

i

t

o

)

7

C

a

r

i

c

a

m

e

n

t

o

a

c

q

u

a

(

n

o

n

f

o

r

n

i

t

o

)

8

S

e

r

b

a

t

o

i

o

i

n

e

r

z

i

a

l

e

(

d

i

s

p

o

n

i

b

i

l

e

c

o

m

e

a

c

c

e

s

s

o

r

i

o

)

:

n

e

c

e

s

s

a

r

i

o

s

e

s

i

u

t

i

l

i

z

z

a

n

o

t

e

r

m

i

-

n

a

l

i

a

r

i

a

p

e

r

r

a

f

f

r

e

s

c

a

m

e

n

t

o

o

s

e

i

l

c

o

n

t

e

n

u

t

o

a

c

q

u

a

i

m

p

i

a

n

t

o

(

e

s

c

l

u

s

o

c

o

n

t

e

n

u

t

o

a

c

q

u

a

p

o

m

p

a

d

i

c

a

l

o

r

e

)

e

̀

m

i

n

o

r

e

d

i

2

0

l

i

t

r

i

1

0

V

a

s

o

d

i

e

s

p

a

n

s

i

o

n

e

(

n

o

n

f

o

r

n

i

t

o

)

1

1

V

a

s

o

d

i

e

s

p

a

n

s

i

o

n

e

s

o

l

a

r

e

1

2

S

e

p

a

r

a

t

o

r

e

i

d

r

a

u

l

i

c

o

e

p

o

m

p

a

d

i

r

i

l

a

n

c

i

o

(

n

o

n

f

o

r

n

i

t

i

)

,

d

a

v

a

l

u

t

a

r

e

e

v

e

n

t

u

a

l

e

n

e

c

e

s

s

i

-

t

a

̀

d

i

i

n

s

t

a

l

l

a

z

i

o

n

e

i

n

r

e

l

a

z

i

o

n

e

a

l

l

e

p

e

r

d

i

t

e

d

i

c

a

r

i

c

o

d

e

l

l

i

m

p

i

a

n

t

o

1

3

B

o

l

l

i

t

o

r

e

A

C

S

(

n

o

n

f

o

r

n

i

t

o

)

,

m

i

n

i

m

a

s

u

p

e

r

f

i

c

i

e

d

i

s

c

a

m

b

i

o

d

e

l

s

e

r

p

e

n

t

i

n

o

p

o

m

p

a

d

i

c

a

l

o

r

e

(

1

,

4

m

2

p

e

r

m

o

d

.

5

-

7

,

1

,

7

m

2

p

e

r

m

o

d

.

1

0

-

1

4

-

1

4

T

)

1

3

.

1

R

e

s

i

s

t

e

n

z

a

e

l

e

t

t

r

i

c

a

B

o

l

l

i

t

o

r

e

A

C

S

(

n

o

n

f

o

r

n

i

t

a

)

1

4

S

o

n

d

a

d

i

t

e

m

p

e

r

a

t

u

r

a

T

5

(

f

o

r

n

i

t

a

,

m

o

n

t

a

g

g

i

o

a

c

u

r

a

d

e

l

l

i

n

s

t

a

l

l

a

t

o

r

e

)

1

5

S

o

n

d

a

d

i

t

e

m

p

e

r

a

t

u

r

a

b

o

l

l

i

t

o

r

e

(

d

i

s

p

o

n

i

b

i

l

e

c

o

m

e

a

c

c

e

s

s

o

r

i

o

d

e

l

l

a

c

a

l

d

a

i

a

)

1

7

V

a

l

v

o

l

a

d

i

n

o

n

r

i

t

o

r

n

o

(

n

o

n

f

o

r

n

i

t

a

)

1

8

V

a

l

v

o

l

a

d

i

b

y

p

a

s

s

(

n

o

n

f

o

r

n

i

t

a

)

1

9

V

a

l

v

o

l

a

a

3

v

i

e

S

V

1

(

n

o

n

f

o

r

n

i

t

a

)

2

0

a

V

a

l

v

o

l

a

a

d

u

e

v

i

e

(

n

o

n

f

o

r

n

i

t

a

)

,

c

o

m

a

n

d

a

t

a

d

a

S

V

2

-

2

0

b

V

a

l

v

o

l

a

a

d

u

e

v

i

e

(

n

o

n

f

o

r

n

i

t

a

)

,

c

o

m

a

n

d

a

t

a

d

a

S

V

2

i

n

l

o

g

i

c

a

n

e

g

a

t

a

2

1

V

a

s

o

d

i

e

s

p

a

n

s

i

o

n

e

A

C

S

(

n

o

n

f

o

r

n

i

t

o

)

2

2

V

a

l

v

o

l

a

d

i

s

i

c

u

r

e

z

z

a

A

C

S

(

n

o

n

f

o

r

n

i

t

a

)

2

3

V

a

l

v

o

l

a

m

i

s

c

e

l

a

t

r

i

c

e

t

e

r

m

o

s

t

a

t

i

c

a

(

n

o

n

f

o

r

n

i

t

a

)

2

4

C

e

n

t

r

a

l

i

n

a

g

e

s

t

i

o

n

e

i

m

p

i

a

n

t

o

s

o

l

a

r

e

c

o

n

r

e

l

a

t

i

v

e

s

o

n

d

e

(

n

o

n

f

o

r

n

i

t

a

)

2

5

P

a

n

n

e

l

l

o

s

o

l

a

r

e

(

n

o

n

f

o

r

n

i

t

o

)

2

6

P

o

m

p

a

i

m

p

i

a

n

t

o

s

o

l

a

r

e

(

n

o

n

f

o

r

n

i

t

a

)

2

7

B

o

o

s

t

e

r

e

l

e

t

t

r

i

c

o

(

d

i

s

p

o

n

i

b

i

l

e

c

o

m

e

a

c

c

e

s

s

o

r

i

o

)

2

8

S

o

n

d

a

d

i

t

e

m

p

e

r

a

t

u

r

a

T

1

B

(

d

i

s

p

o

n

i

b

i

l

e

c

o

m

e

a

c

c

e

s

s

o

r

i

o

d

e

l

l

a

p

o

m

p

a

d

i

c

a

l

o

r

e

)

2

9

P

o

m

p

a

e

s

t

e

r

n

a

u

n

i

t

a

̀

(

P

_

o

)

,

(

n

o

n

f

o

r

n

i

t

a

)

,

d

a

v

a

l

u

t

a

r

e

e

v

e

n

t

u

a

l

e

n

e

c

e

s

s

i

t

a

̀

d

i

i

n

s

t

a

l

-

l

a

z

i

o

n

e

i

n

b

a

s

e

a

l

l

e

p

e

r

d

i

t

e

d

i

c

a

r

i

c

o

i

m

p

i

a

n

t

o

,

g

e

s

t

i

t

a

d

a

l

l

a

p

o

m

p

a

d

i

c

a

l

o

r

e

3

1

S

c

a

l

d

a

c

q

u

a

a

p

o

m

p

a

d

i

c

a

l

o

r

e

p

e

r

i

n

s

t

a

l

l

a

z

i

o

n

e

p

e

n

s

i

l

e

3

2

S

e

r

b

a

t

o

i

o

i

n

e

r

z

i

a

l

e

6

0

l

i

t

r

i

(

d

i

s

p

o

n

i

b

i

l

e

c

o

m

e

a

c

c

e

s

s

o

r

i

o

)

:

n

e

c

e

s

s

a

r

i

o

s

e

s

i

u

t

i

l

i

z

z

a

n

o

t

e

r

m

i

n

a

l

i

a

r

i

a

p

e

r

r

a

f

f

r

e

s

c

a

m

e

n

t

o

o

s

e

i

l

c

o

n

t

e

n

u

t

o

a

c

q

u

a

i

m

p

i

a

n

t

o

(

e

s

c

l

u

s

o

c

o

n

t

e

n

u

t

o

a

c

q

u

a

p

o

m

p

a

d

i

c

a

l

o

r

e

)

e

̀

m

i

n

o

r

e

d

i

2

0

l

i

t

r

i

T

1

_

c

-

T

n

_

c

T

e

r

m

o

s

t

a

t

o

a

m

b

i

e

n

t

e

r

i

c

h

i

e

s

t

a

f

r

e

d

d

o

(

n

o

n

f

o

r

n

i

t

o

)

T

1

_

h

-

T

n

_

h

T

e

r

m

o

s

t

a

t

o

a

m

b

i

e

n

t

e

r

i

c

h

i

e

s

t

a

c

a

l

d

o

(

n

o

n

f

o

r

n

i

t

o

)

F

C

U

1

.

.

.

n

T

e

r

m

i

n

a

l

e

a

r

i

a

:

p

u

o

̀

e

s

s

e

r

e

u

t

i

l

i

z

z

a

t

o

p

e

r

s

o

l

o

r

a

f

f

r

e

s

c

a

m

e

n

t

o

c

o

n

r

i

s

c

a

l

d

a

-

m

e

n

t

o

a

p

a

v

i

m

e

n

t

o

r

a

d

i

a

n

t

e

o

p

e

r

r

a

f

f

r

e

s

c

a

m

e

n

t

o

e

r

i

s

c

a

l

d

a

m

e

n

t

o

s

e

n

z

a

p

a

v

i

m

e

n

t

o

r

a

d

i

a

n

t

e

F

H

L

1

.

.

.

n

P

a

v

i

m

e

n

t

o

r

a

d

i

a

n

t

e

s

o

l

o

r

i

s

c

a

l

d

a

m

e

n

t

o

a

n

z

o

n

e

T

W

R

S

c

a

l

d

a

s

a

l

v

i

e

t

t

e

i

n

t

e

g

r

a

z

i

o

n

e

b

a

g

n

o

:

s

e

c

o

l

l

e

g

a

t

o

a

l

l

i

m

p

i

a

n

t

o

d

i

r

i

s

c

a

l

d

a

m

e

n

t

o

d

e

v

e

e

s

s

e

r

e

i

n

t

e

g

r

a

t

o

c

o

n

r

e

s

i

s

t

e

n

z

a

e

l

e

t

t

r

i

c

a

(

R

)

a

t

t

i

v

a

t

a

d

a

l

c

o

m

a

n

d

o

(

C

)

c

h

e

c

o

n

-

t

e

m

p

o

r

a

n

e

a

m

e

n

t

e

c

h

i

u

d

e

l

a

v

a

l

v

o

l

a

(

M

)

;

s

e

n

o

n

c

o

l

l

e

g

a

t

o

a

l

l

i

m

p

i

a

n

t

o

,

i

l

r

i

s

c

a

l

d

a

m

e

n

t

o

e

̀

f

o

r

n

i

t

o

d

a

l

l

a

s

o

l

a

r

e

s

i

s

t

e

n

z

a

e

l

e

t

t

r

i

c

a

(

R

)

a

t

t

i

v

a

t

a

t

r

a

m

i

t

e

i

l

c

o

m

a

n

d

o

(

C

)

A

H

S

C

a

l

d

a

i

a

a

i

n

t

e

g

r

a

z

i

o

n

e

r

i

s

c

a

l

d

a

m

e

n

t

o

e

s

a

n

i

t

a

r

i

o

(

c

o

n

g

e

s

t

i

o

n

e

a

n

t

i

l

e

g

i

o

n

e

l

l

a

n

e

l

l

e

v

e

r

s

i

o

n

i

s

o

l

o

r

i

s

c

a

l

d

a

m

e

n

t

o

)

3

6

7

1

2

2

9

C

M

1

2

T

W

R

3

0

S

c

a

l

d

a

c

q

u

a

a

p

o

m

p

a

d

i

c

a

l

o

r

e

p

e

r

i

n

s

t

a

l

l

a

z

i

o

n

e

a

p

a

v

i

m

e

n

t

o

F

H

L

1

.

.

.

.

.

.

.

F

H

L

n

c

o

l

l

e

g

a

m

e

n

t

i

e

l

e

t

t

r

i

c

i

a

l

l

a

p

o

m

p

a

d

i

c

a

l

o

r

e

c

o

l

l

e

g

a

m

e

n

t

i

e

l

e

t

t

r

i

c

i

a

l

l

a

c

e

n

t

r

a

l

i

n

a

g

e

s

t

i

o

n

e

i

m

p

i

a

n

t

o

s

o

l

a

r

e

c

o

l

l

e

g

a

m

e

n

t

o

a

l

l

a

c

a

l

d

a

i

a

d

e

l

l

a

s

o

n

d

a

t

e

m

p

e

r

a

t

u

r

a

b

o

l

l

i

t

o

r

e

A

C

S

(

n

o

n

f

o

r

n

i

t

a

)

R

Guida ai Prodotti 2017 - pag. 31