8

7

R

i

u

t

i

l

i

z

z

o

6

P

i

c

c

o

l

i

i

m

p

i

a

n

t

i

5

L

i

s

t

i

n

o

p

r

e

z

z

i

d

e

l

l

'

a

c

q

u

a

p

i

o

-

d

i

d

e

p

u

r

a

z

i

o

n

e

S

e

p

a

r

a

t

o

r

i

4

S

c

a

r

i

c

h

i

3

S

t

a

z

i

o

n

i

d

i

s

o

l

l

e

-

v

a

m

e

n

t

o

2

S

t

a

z

i

o

n

i

1

D

i

s

p

o

s

i

t

i

v

i

d

i

d

i

s

o

l

l

e

v

a

m

e

n

t

o

c

h

i

u

s

u

r

a

a

n

t

i

-

r

i

-

I

n

f

o

r

m

a

z

i

o

n

i

i

b

r

i

d

e

s

t

a

g

n

o

v

a

n

a

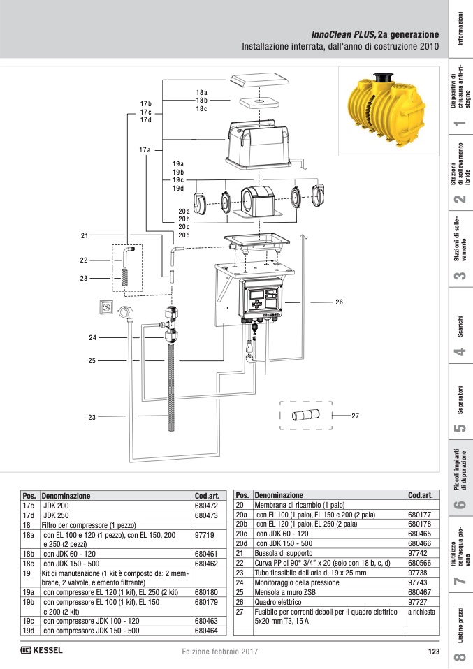
Pos. Denominazione

Cod.art.

Pos. Denominazione

Cod.art.

680177

680178

680465

680466

97742

680566

97738

97743

680467

97727

a richiesta

21

20a

20b

20c

20d

22

23

24

25

23

26

17c

JDK 200

17d

JDK 250

18

Filtro per compressore (1 pezzo)

18a

con EL 100 e 120 (1 pezzo), con EL 150, 200

e 250 (2 pezzi)

18b

con JDK 60 - 120

680472

20

680473

20a

20b

97719

20c

20d

680461

21

680462

22

23

24

680180

25

680179

26

27

680463

680464

Membrana di ricambio (1 paio)

con EL 100 (1 paio), EL 150 e 200 (2 paia)

con EL 120 (1 paio), EL 250 (2 paia)

con JDK 60 - 120

con JDK 150 - 500

Bussola di supporto

Curva PP di 90° 3/4’’ x 20 (solo con 18 b, c, d)

Tubo flessibile dell'aria di 19 x 25 mm

Monitoraggio della pressione

Mensola a muro ZSB

Quadro elettrico

Fusibile per correnti deboli per il quadro elettrico

5x20 mm T3, 15 A

18c

con JDK 150 - 500

19

Kit di manutenzione (1 kit è composto da: 2 mem-

brane, 2 valvole, elemento filtrante)

19a

con compressore EL 120 (1 kit), EL 250 (2 kit)

19b

con compressore EL 100 (1 kit), EL 150

e 200 (2 kit)

19c

con compressore JDK 100 - 120

19d

con compressore JDK 150 - 500

17b

17c

17d

17a

18a

18b

18c

19a

19b

19c

19d

Edizione febbraio 2017

123

InnoClean PLUS, 2a generazione

Installazione interrata, dall'anno di costruzione 2010

27