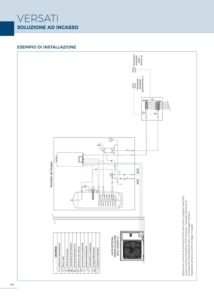
L

E

G

E

N

D

A

v

a

l

v

o

l

a

d

i

i

n

t

e

r

c

e

t

t

a

z

i

o

n

e

f

i

l

t

r

o

a

r

e

t

e

v

a

l

v

o

l

a

d

i

s

i

c

u

r

e

z

z

a

m

i

s

c

e

l

a

t

o

r

e

t

e

r

m

o

s

t

a

t

i

c

o

a

t

t

u

a

t

o

r

e

e

l

e

t

t

r

o

t

e

r

m

i

c

o

v

a

l

v

o

l

a

d

i

n

o

n

r

i

t

o

r

n

o

t

e

r

m

o

m

e

t

r

o

a

q

u

a

d

r

a

n

t

e

s

o

n

d

a

d

i

t

e

m

p

e

r

a

t

u

r

a

m

a

n

o

m

e

t

r

o

a

q

u

a

d

r

a

n

t

e

b

y

-

p

a

s

s

d

i

f

f

e

r

e

n

z

i

a

l

e

t

u

b

a

z

i

o

n

e

f

r

i

g

o

r

i

f

e

r

a

U

N

I

T

A

̀

E

S

T

E

R

N

A

P

O

M

P

A

D

I

C

A

L

O

R

E

S

P

L

I

T

V

E

R

S

A

T

I

I

I

I

A

t

t

e

n

z

i

o

n

e

:

s

c

h

e

m

a

d

i

p

r

i

n

c

i

p

i

o

!

N

O

N

s

o

s

t

i

t

u

i

s

c

e

i

l

p

r

o

g

e

t

t

o

s

p

e

c

i

f

i

c

o

!

Q

u

e

s

t

o

s

c

h

e

m

a

d

i

m

p

i

a

n

t

o

N

O

N

c

o

n

t

i

e

n

e

i

n

e

c

e

s

s

a

r

i

e

l

e

m

e

n

t

i

d

i

s

i

c

u

r

e

z

z

a

e

d

i

n

t

e

r

c

e

t

t

a

z

i

o

n

e

p

e

r

u

n

m

o

n

t

a

g

g

i

o

c

o

r

r

e

t

t

o

.

R

i

s

p

e

t

t

a

r

e

s

e

m

p

r

e

l

e

n

o

r

m

e

e

l

e

g

g

i

i

n

v

i

g

o

r

e

.

A

r

m

a

d

i

o

a

d

i

n

c

a

s

s

o

A

F

S

A

C

S

T

e

r

m

o

s

t

a

t

o

a

m

b

i

e

n

t

e

(

z

o

n

a

t

e

r

m

i

c

a

1

)

T

e

r

m

o

s

t

a

t

o

a

m

b

i

e

n

t

e

(

z

o

n

a

t

e

r

m

i

c

a

2

)

64

VERSATI

SOLUZIONE AD INCASSO

ESEMPIO DI INSTALLAZIONE