Raccordi filettati in acciaio inossidabile

b

4

c

Ø

2

3

1

L

a

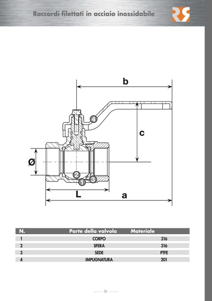
N.

1

2

3

4

Parte della valvola

CORPO

SFERA

SEDE

IMPUGNATURA

Materiale

316

316

PTFE

201

51