SCHEMI FUNZIONALI - CASCATA

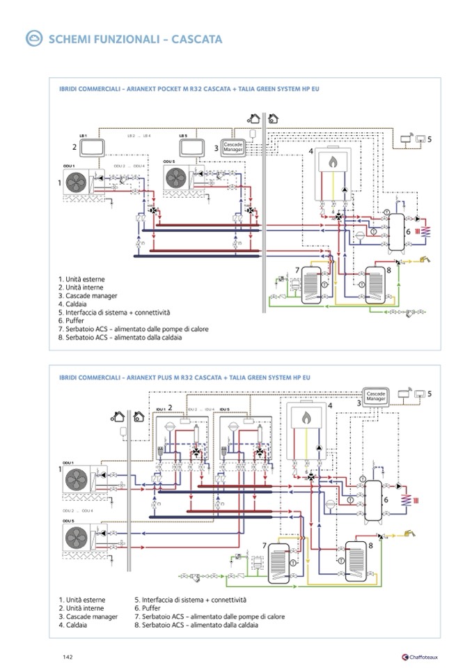
IBRIDI COMMERCIALI - ARIANEXT POCKET M R32 CASCATA + TALIA GREEN SYSTEM HP EU

1. Unità esterne

2. Unità interne

3. Cascade manager

4. Caldaia

5. Interfaccia di sistema + connettività

6. Puffer

7. Serbatoio ACS - alimentato dalle pompe di calore

8. Serbatoio ACS - alimentato dalla caldaia

IBRIDI COMMERCIALI - ARIANEXT PLUS M R32 CASCATA + TALIA GREEN SYSTEM HP EU

1. Unità esterne

2. Unità interne

3. Cascade manager

4. Caldaia

5. Interfaccia di sistema + connettività

6. Puffer

7. Serbatoio ACS - alimentato dalle pompe di calore

8. Serbatoio ACS - alimentato dalla caldaia

142