BOLLY

®

2 HY XL INOX

ESEMPIO DI SCHEMA

ESEMPIO DI SCHEMA DI IMPIANTO CON BOLLY

®

2 HY XL INOX

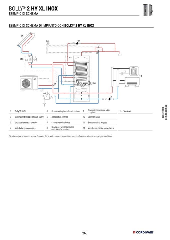
10

08

07

11

E

M

09

12

M

13

02

01

12

06

04

E

03

05

1

Bolly

®

2HYXL

5

2

Generatore termico (Pompa di calore) 6

3

Gruppo di sicurezza idraulico

7

4

Valvola tre vie motorizzata

8

Circolatore impianto climatizzazione

Riscaldatore elettrico

Circolatore ricircolo Acs

Centralina Full Control o altro

controllore/termostato

9

Gruppo di circolazione solare

13

completo

10 Collettori solari

11 Elettrovalvola di By-pass

12 Valvola miscelatrice termostatica

Terminali

Gli schemi riportati sono puramente illustrativi. Per la realizzazione di impianti fare sempre riferimento ad un tecnico progettista abilitato.

263

B

O

L

L

I

T

O

R

I

E

A

C

C

U

M

U

L

I

I

N

O

X