MODULO PRS

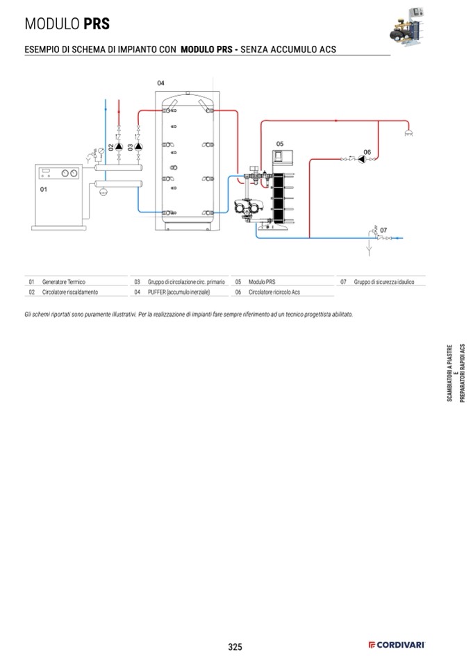
ESEMPIO DI SCHEMA DI IMPIANTO CON MODULO PRS - SENZA ACCUMULO ACS

01 Generatore Termico

02 Circolatore riscaldamento

03 Gruppo di circolazione circ. primario

04 PUFFER (accumulo inerziale)

05 Modulo PRS

06 Circolatore ricircolo Acs

07 Gruppo di sicurezza idaulico

04

Gli schemi riportati sono puramente illustrativi. Per la realizzazione di impianti fare sempre riferimento ad un tecnico progettista abilitato.

325

05

06

07

0

2

0

3

01

S

C

A

M

B

I

A

T

O

R

I

A

P

I

A

S

T

R

E

E

P

R

E

P

A

R

A

T

O

R

I

R

A

P

I

D

I

A

C

S