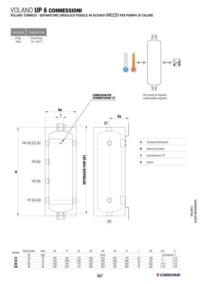
VOLANO UP 6 connessioni

Volano termico - separatore idraulico pensile in acciaio GREZZO per pompa di calore

Pmax

4 bar

Tmin/Tmax

-10 / +95 °C

Modello

25

50

80

100

Volumenetto

Peso

De

H

H1

H2

H3

H4

IF

I

DS

B-O

A

Connessioni F

1"

1"1/4

1"

1"1/4

1"1/4

1"1/4

1"1/4

1"1/4

H4 (A) (C) (A)

H3 (A)

H2 (A)

H1 (A) (A)

A

B

C

O

[lt]

25

51

80

95

[Kg]

14

290

790

170

19

343

1000

200

22

450

745

175

26

450

875

175

[mm]

320

470

620

400

600

800

310

440

570

350

525

700

776

40

166

996

40

192

695

70

252

825

70

252

De

I

Ds

(B)

CONNESSIONE PER

STRUMENTAZIONE 1/2"

Per esempi di impianto

vedere pagine seguenti

Connesione all'impianto

Valvola di sicurezza

Strumentazione 1/2"

Scarico

387

(O)

PRESSIONE

TEMPERATURA

H

I

N

T

E

R

A

S

S

E

F

O

R

I

(

I

F

)

V

O

L

A

N

I

E

A

C

Q

U

A

R

E

F

R

I

G

E

R

A

T

A