ESEMPI DI IMPIANTO

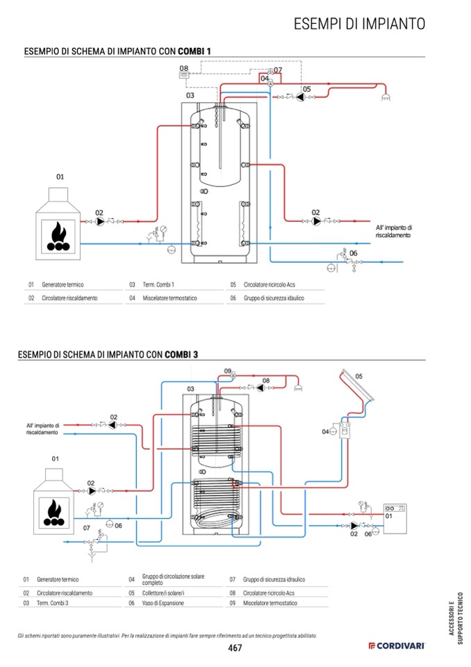
ESEMPIO DI SCHEMA DI IMPIANTO CON COMBI 1

08

E

07

04

05

03

01

02

02

01 Generatore termico

02 Circolatore riscaldamento

03 Term. Combi 1

04 Miscelatore termostatico

05 Circolatore ricircolo Acs

06 Gruppo di sicurezza idaulico

09

08

All' impianto di

riscaldamento

06

ESEMPIO DI SCHEMA DI IMPIANTO CON COMBI 3

03

05

All' impianto di

riscaldamento

01

02

02

06

04

07

01

02 06

01 Generatore termico

04

Gruppo di circolazione solare

completo

05 Collettore/i solare/i

06 Vaso di Espansione

07 Gruppo di sicurezza idraulico

08 Circolatore ricircolo Acs

09 Miscelatore termostatico

02 Circolatore riscaldamento

03 Term. Combi 3

Gli schemi riportati sono puramente illustrativi. Per la realizzazione di impianti fare sempre riferimento ad un tecnico progettista abilitato.

467

A

C

C

E

S

S

O

R

I

E

S

U

P

P

O

R

T

O

T

E

C

N

I

C

O