ESEMPI DI IMPIANTO

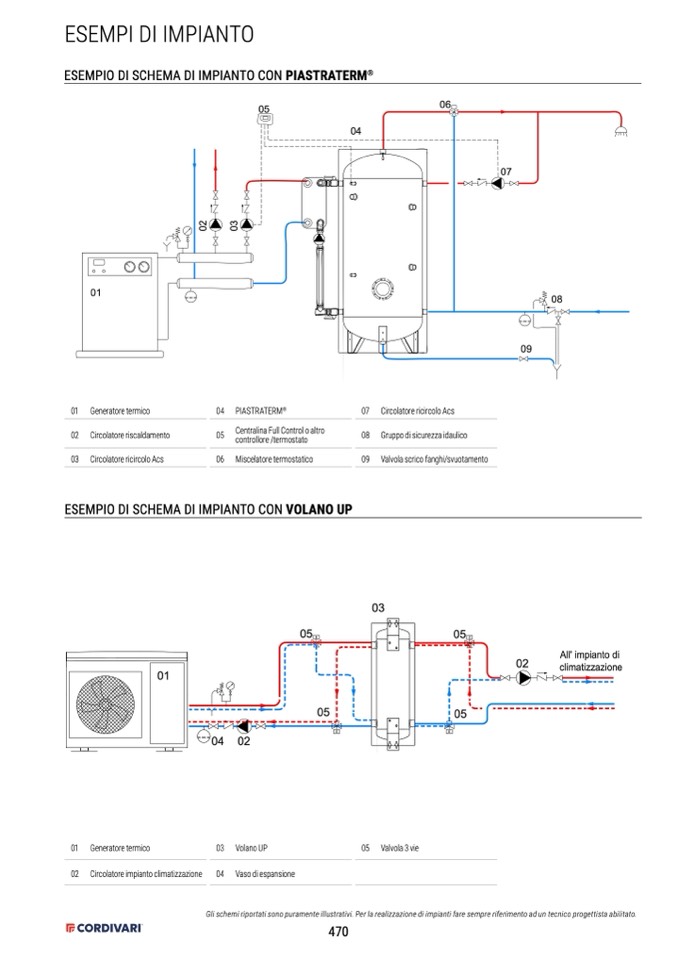
ESEMPIO DI SCHEMA DI IMPIANTO CON PIASTRATERM

®

05

06

01 Generatore termico

02 Circolatore riscaldamento

03 Circolatore ricircolo Acs

04 PIASTRATERM

®

05

Centralina Full Control o altro

controllore /termostato

06 Miscelatore termostatico

07 Circolatore ricircolo Acs

08 Gruppo di sicurezza idaulico

09 Valvola scrico fanghi/svuotamento

ESEMPIO DI SCHEMA DI IMPIANTO CON VOLANO UP

01 Generatore termico

02 Circolatore impianto climatizzazione

04 02

03 Volano UP

04 Vaso di espansione

E

E

05 Valvola 3 vie

04

03

05

E

05

E

05

05

Gli schemi riportati sono puramente illustrativi. Per la realizzazione di impianti fare sempre riferimento ad un tecnico progettista abilitato.

470

07

08

09

02

All' impianto di

climatizzazione

0

2

0

3

01

01