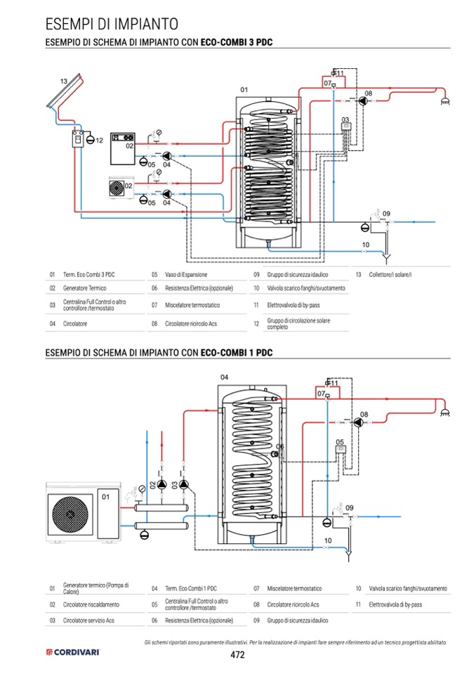
ESEMPI DI IMPIANTO

ESEMPIO DI SCHEMA DI IMPIANTO CON ECO-COMBI 3 PDC

13

01

E11

07

08

03

12

02

05 04

02

05 04

06

01 Term. Eco Combi 3 PDC

05

Vaso di Espansione

02 Generatore Termico

06

Resistenza Elettrica (opzionale)

03

Centralina Full Control o altro

controllore /termostato

07

Miscelatore termostatico

04 Circolatore

08

Circolatore ricircolo Acs

09 Gruppo di sicurezza idaulico

10 Valvola scarico fanghi/svuotamento

11 Elettrovalvola di by-pass

12

Gruppo di circolazione solare

completo

13 Collettore/i solare/i

ESEMPIO DI SCHEMA DI IMPIANTO CON ECO-COMBI 1 PDC

04

E11

07

01

Generatore termico (Pompa di

Calore)

02 Circolatore riscaldamento

03 Circolatore servizio Acs

04 Term. Eco Combi 1 PDC

05

Centralina Full Control o altro

controllore /termostato

06 Resistenza Elettrica (opzionale)

07 Miscelatore termostatico

08 Circolatore ricircolo Acs

09 Gruppo di sicurezza idaulico

10 Valvola scarico fanghi/svuotamento

11 Elettrovalvola di by-pass

2

0

3

0

01

06

08

05

09

10

Gli schemi riportati sono puramente illustrativi. Per la realizzazione di impianti fare sempre riferimento ad un tecnico progettista abilitato.

472

10

09