ESEMPI DI IMPIANTO

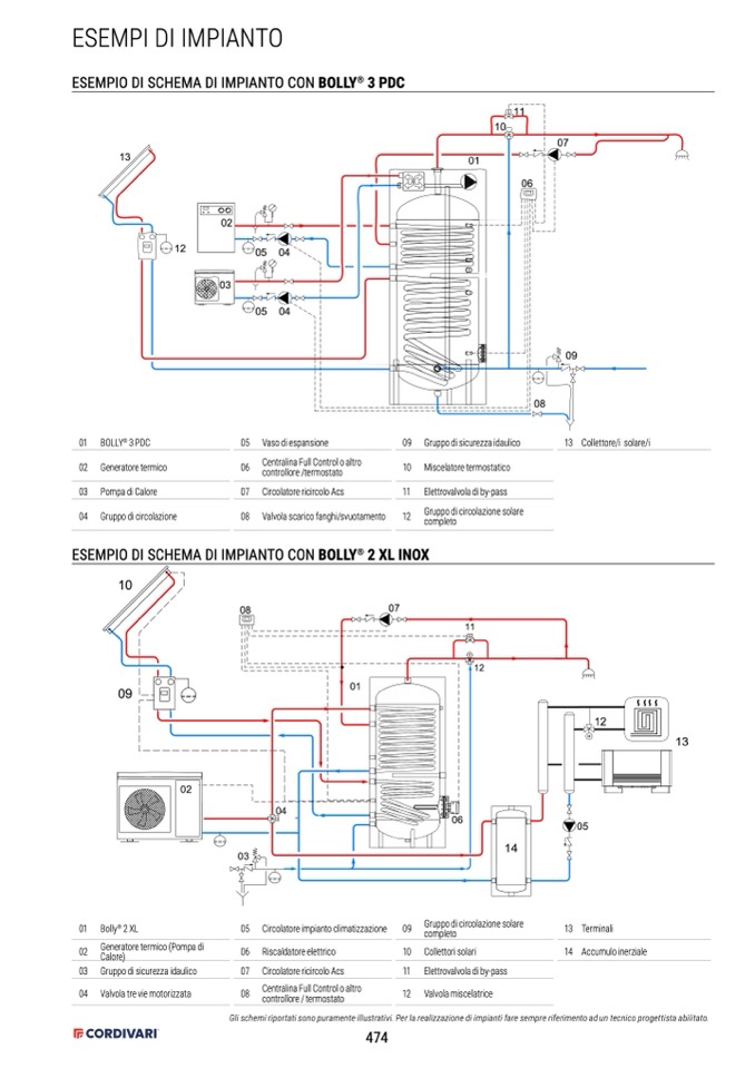
ESEMPIO DI SCHEMA DI IMPIANTO CON BOLLY

®

3 PDC

13

E

11

10

07

01

06

02

12

05 04

01 BOLLY

®

3 PDC

02 Generatore termico

03 Pompa di Calore

04 Gruppo di circolazione

03

05 04

05 Vaso di espansione

06

Centralina Full Control o altro

controllore /termostato

09 Gruppo di sicurezza idaulico

10 Miscelatore termostatico

11 Elettrovalvola di by-pass

Gruppo di circolazione solare

completo

09

08

13

Collettore/i solare/i

07 Circolatore ricircolo Acs

08 Valvola scarico fanghi/svuotamento 12

ESEMPIO DI SCHEMA DI IMPIANTO CON BOLLY

®

2 XL INOX

10

08

07

09

12

M

05

13

11

E

M

12

02

01

04

E

E

06

14

03

01 Bolly

®

2XL

05

Circolatore impianto climatizzazione

09

Gruppo di circolazione solare

completo

10 Collettori solari

11 Elettrovalvola di by-pass

12 Valvola miscelatrice

13

14

Terminali

Accumulo inerziale

02

Generatore termico (Pompa di

Calore)

03 Gruppo di sicurezza idaulico

04 Valvola tre vie motorizzata

06 Riscaldatore elettrico

07 Circolatore ricircolo Acs

08

Centralina Full Control o altro

controllore / termostato

Gli schemi riportati sono puramente illustrativi. Per la realizzazione di impianti fare sempre riferimento ad un tecnico progettista abilitato.

474