ACQUAMAS

®

1

SCHEMI

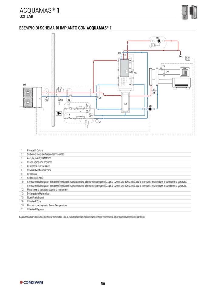
ESEMPIO DI SCHEMA DI IMPIANTO CON ACQUAMAS

®

1

01

15

1

3

12

10

11

06

04

08

P

T

21

1

Pompa Di Calore

2

Serbatoio Inerziale Volano Termico PDC

3

Accumulo ACQUAMAS

®

1

4

Vaso Espansione Impianto

5

Resistenza Elettrica ACS

6

Valvola 3 Vie Motorizzata

8

Circolatore

9

Kit Ricircolo ACS

10 Componenti obbligatori per la conformità dell'Acqua Sanitaria alle normative vigenti (D.Lgs. 31/2001, UNI 8065/2019, etc) e ai requisiti impianto per le condizioni di garanzia.

11 Componenti obbligatori per la conformità dell'Acqua Impianto alle normative vigenti (D.Lgs. 31/2001, UNI 8065/2019, etc) e ai requisiti impianto per le condizioni di garanzia.

12 Misuratore di portata o coppia di manometri

13 Defangatore Magnetico

15 Giunti Antivibranti

19 Valvola di Zona

20 Miscelazione Impianto Bassa Temperatura

21 Valvola di By-pass

Gli schemi riportati sono puramente illustrativi. Per la realizzazione di impianti fare sempre riferimento ad un tecnico progettista abilitato.

56

05

09

19

E

20

M

03

02

P

T

E