Ottimizzazione del COP dei sistemi a CO2

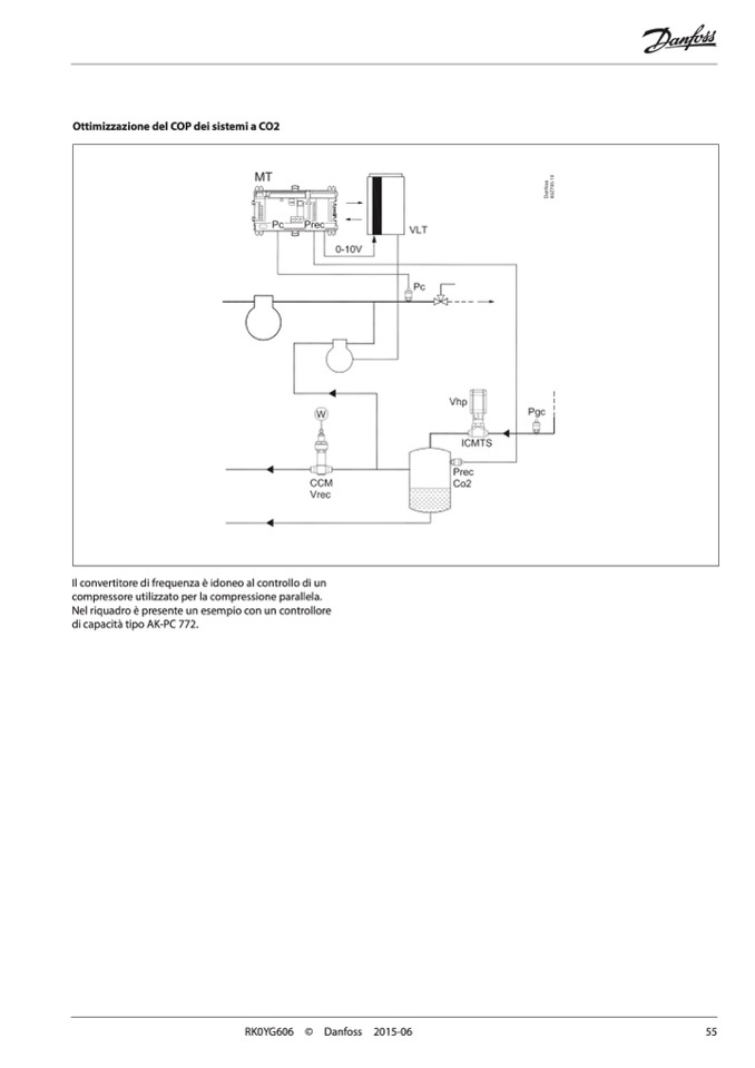
Il convertitore di frequenza è idoneo al controllo di un

compressore utilizzato per la compressione parallela.

Nel riquadro è presente un esempio con un controllore

di capacità tipo AK-PC 772.

RK0YG606 © Danfoss 2015-06

55