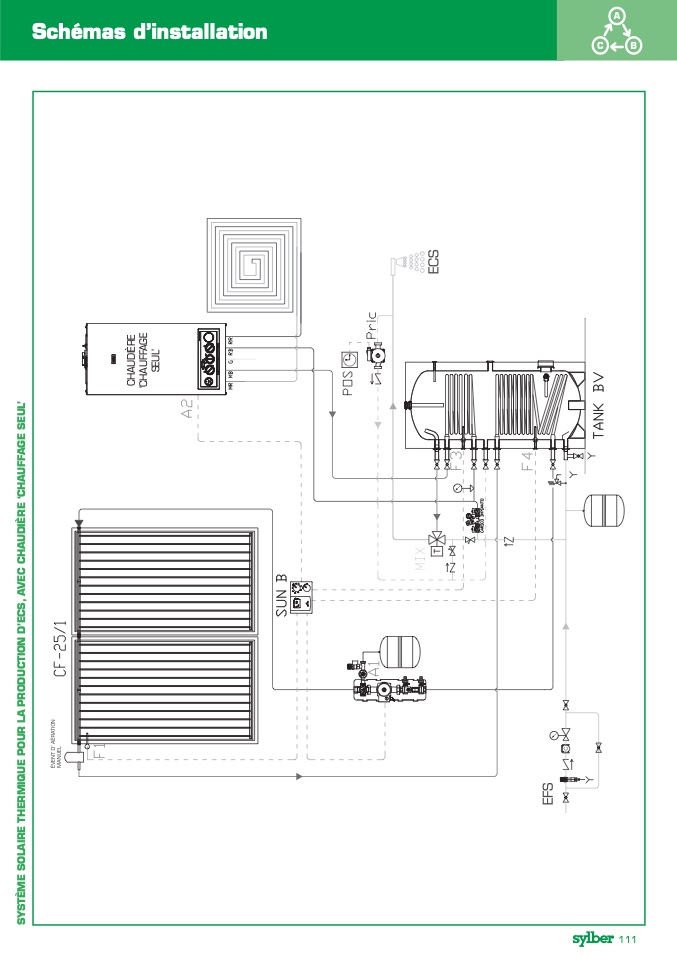
Schémas d’installation

S

Y

S

T

E

̀

M

E

S

O

L

A

I

R

E

T

H

E

R

M

I

Q

U

E

P

O

U

R

L

A

P

R

O

D

U

C

T

I

O

N

D

E

C

S

,

A

V

E

C

C

H

A

U

D

I

E

̀

R

E

C

H

A

U

F

F

A

G

E

S

E

U

L

E

F

S

E

́

V

E

N

T

D

A

E

́

R

A

T

I

O

N

M

A

N

U

E

L

C

H

A

U

D

I

E

̀

R

E

C

H

A

U

F

F

A

G

E

S

E

U

L

E

C

S

111