IN-LINE CENTRIFUGAL PUMPS

3E

CONSTRUCTION

50Hz

Rev.A

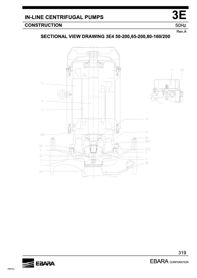
SECTIONAL VIEW DRAWING 3E4 50-200,65-200,80-160/200

EBARA

CORPORATION

319

PM10U