ALL-IN-ONE

POMPE DI CALORE ARIA-ACQUA

HWT-801HRW-E, HWT-1101HRW-E

HWT-801HW-E, HWT-1101HW-E

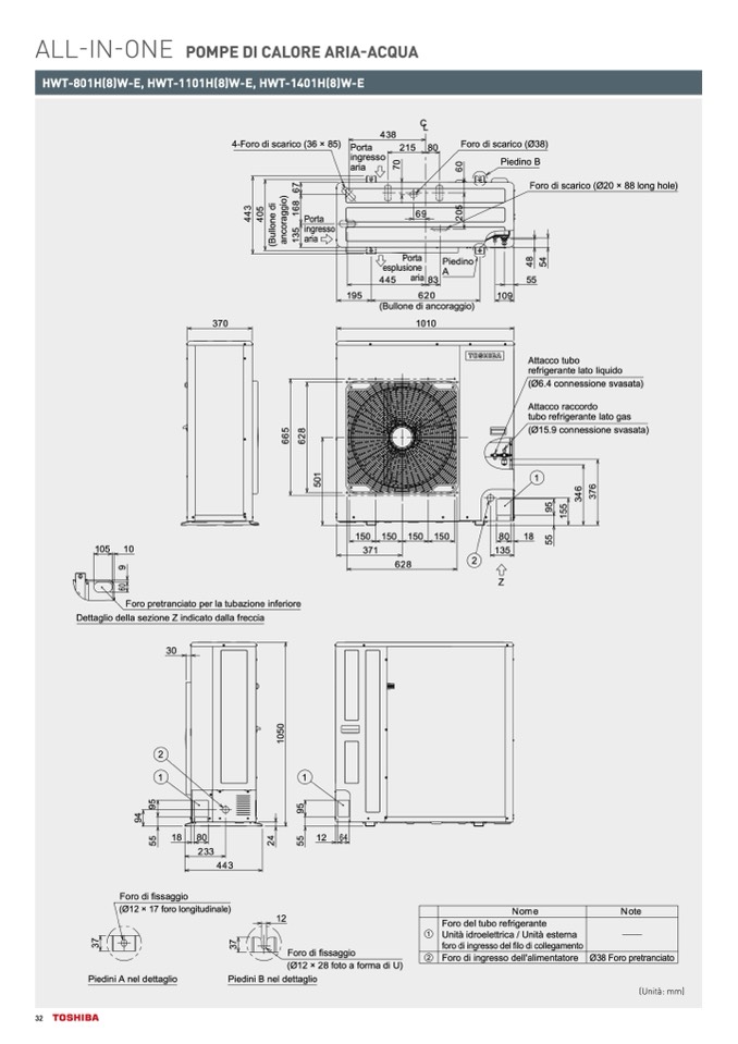
HWT-801H(8)W-E, HWT-1101H(8)W-E, HWT-1401H(8)W-E

370

4-Foro di scarico (36 × 85)

C

L

438

Foro di scarico (Ø38)

Piedino B

Porta

ingresso

aria

Porta

ingresso

aria

195

620

(Bullone di ancoraggio)

1010

215 80

69

Porta

esplusione

445

aria 83

Piedino

A

Foro di scarico (Ø20 × 88 long hole)

55

109

Attacco tubo

refrigerante lato liquido

(Ø6.4 connessione svasata)

Attacco raccordo

tubo refrigerante lato gas

(Ø15.9 connessione svasata)

3

7

3

7

9

4

5

5

9

5

2

4

5

5

9

5

1

0

5

0

4

0

5

(

B

u

l

l

o

n

e

d

i

6

0

9

5

5

9

5

1

5

5

4

8

5

4

3

4

6

3

7

6

6

2

8

5

0

1

6

6

5

a

n

c

o

r

a

g

g

i

o

)

1

3

5

1

6

8

6

7

4

4

3

2

0

5

6

0

7

0

32

105 10

150 150 150 150

371

628

80 18

135

2

Z

Foro pretranciato per la tubazione inferiore

Dettaglio della sezione Z indicato dalla freccia

30

2

1

1

Foro di fissaggio

Piedini A nel dettaglio

(Ø12 × 28 foto a forma di U)

Piedini B nel dettaglio

18

80

233

12

64

443

(Ø12 × 17 foro longitudinale)

12

Nome

Foro del tubo refrigerante

Unità idroelettrica / Unità esterna

foro di ingresso del filo di collegamento

Foro di ingresso dell'alimentatore

Note

Ø38 Foro pretranciato

(Unità: mm)

Foro di fissaggio

1

2

1