ACQUAMAS

®

1

SCHEMI

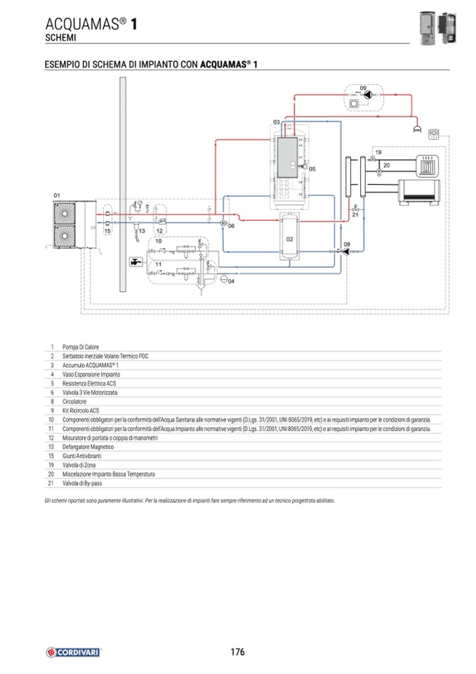
ESEMPIO DI SCHEMA DI IMPIANTO CON ACQUAMAS

®

1

1

2

3

4

5

6

8

9

10

11

12

13

15

19

20

21

Pompa Di Calore

Serbatoio Inerziale Volano Termico PDC

Accumulo ACQUAMAS

®

1

Vaso Espansione Impianto

Resistenza Elettrica ACS

Valvola 3 Vie Motorizzata

Circolatore

Kit Ricircolo ACS

Componenti obbligatori per la conformità dell'Acqua Sanitaria alle normative vigenti (D.Lgs. 31/2001, UNI 8065/2019, etc) e ai requisiti impianto per le condizioni di garanzia.

Componenti obbligatori per la conformità dell'Acqua Impianto alle normative vigenti (D.Lgs. 31/2001, UNI 8065/2019, etc) e ai requisiti impianto per le condizioni di garanzia.

Misuratore di portata o coppia di manometri

Defangatore Magnetico

Giunti Antivibranti

Valvola di Zona

Miscelazione Impianto Bassa Temperatura

Valvola di By-pass

01

15

1

3

12

10

11

06

04

02

08

P

T

P

T

21

Gli schemi riportati sono puramente illustrativi. Per la realizzazione di impianti fare sempre riferimento ad un tecnico progettista abilitato.

176

03

09

19

E

20

M

05

E