ACQUAMAS

®

3 CTS

®

SCHEMI

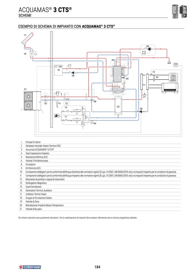
ESEMPIO DI SCHEMA DI IMPIANTO CON ACQUAMAS

®

3 CTS

®

17

18

01

03

09

19

E

20

M

1 Pompa Di Calore

2 Serbatoio Inerziale Volano Termico PDC

3 Accumulo ACQUAMAS

®

3 CTS

®

4 Vaso Espansione Impianto

5 Resistenza Elettrica ACS

6 Valvola 3 Vie Motorizzata

8 Circolatore

9 Kit Ricircolo ACS

15

1

3

12

10

11

06

04

02

08

16

08

P

T

P

T

21

E

10 Componenti obbligatori per la conformità dell'Acqua Sanitaria alle normative vigenti (D.Lgs. 31/2001, UNI 8065/2019, etc) e ai requisiti impianto per le condizioni di garanzia.

11 Componenti obbligatori per la conformità dell'Acqua Impianto alle normative vigenti (D.Lgs. 31/2001, UNI 8065/2019, etc) e ai requisiti impianto per le condizioni di garanzia.

12 Misuratore di portata o coppia di manometri

13 Defangatore Magnetico

15 Giunti Antivibranti

16 Generatore Termico Ausiliario

17 Collettori Termici Solari

18 Gruppo di Circolazione Solare

19 Valvola di Zona

20 Miscelazione Impianto Bassa Temperatura

21 Valvola di By-pass

Gli schemi riportati sono puramente illustrativi. Per la realizzazione di impianti fare sempre riferimento ad un tecnico progettista abilitato.

184

05