ECO COMBI PDC

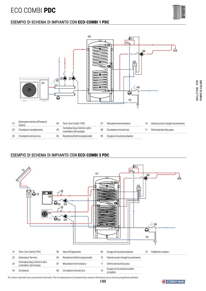
ESEMPIO DI SCHEMA DI IMPIANTO CON ECO-COMBI 1 PDC

04

E11

07

05

09

10

01

01

Generatore termico (Pompa di

Calore)

02 Circolatore riscaldamento

03 Circolatore servizio Acs

04 Term. Eco Combi 1 PDC

07 Miscelatore termostatico

08 Circolatore ricircolo Acs

09 Gruppo di sicurezza idaulico

10 Valvola scarico fanghi/svuotamento

11 Elettrovalvola di by-pass

05

Centralina Easy Control o altro

controllore /termostato

06 Resistenza Elettrica (opzionale)

ESEMPIO DI SCHEMA DI IMPIANTO CON ECO-COMBI 3 PDC

13

E11

07

03

12

02

02

01

08

06

08

B

O

L

L

I

T

O

R

I

P

E

R

P

O

M

P

E

D

I

C

A

L

O

R

E

0

2

0

3

01 Term. Eco Combi 3 PDC

02 Generatore Termico

03

Centralina Easy Control o altro

controllore /termostato

05

06

07

Vaso di Espansione

Resistenza Elettrica (opzionale)

Miscelatore termostatico

Circolatore ricircolo Acs

09 Gruppo di sicurezza idaulico

13 Collettore/i solare/i

04 Circolatore

08

10 Valvola scarico fanghi/svuotamento

11 Elettrovalvola di by-pass

Gruppo di circolazione solare

completo

05 04

05 04

Gli schemi riportati sono puramente illustrativi. Per la realizzazione di impianti fare sempre riferimento ad un tecnico progettista abilitato.

12

199

06

10

09