BOLLY

®

2 AP INOX

ESEMPIO DI SCHEMA

ESEMPIO DI SCHEMA DI IMPIANTO CON BOLLY

®

2 AP INOX

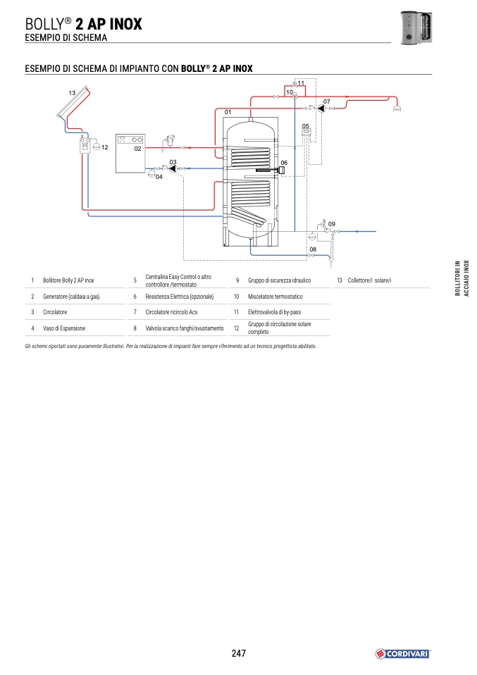
13

01

E

11

07

05

06

1 BollitoreBolly2APinox

2 Generatore (caldaia a gas)

3 Circolatore

4 Vaso di Espansione

9 Gruppodisicurezzaidraulico

10 Miscelatore termostatico

11 Elettrovalvola di by-pass

Gruppo di circolazione solare

completo

13 Collettore/i solare/i

12

02

03

04

5

CentralinaEasyControloaltro

controllore /termostato

6 Resistenza Elettrica (opzionale)

7 Circolatore ricircolo Acs

8 Valvola scarico fanghi/svuotamento

Gli schemi riportati sono puramente illustrativi. Per la realizzazione di impianti fare sempre riferimento ad un tecnico progettista abilitato.

12

247

10

09

08

B

O

L

L

I

T

O

R

I

I

N

A

C

C

I

A

I

O

I

N

O

X