BOLLY

®

2 HY XL INOX

ESEMPIO DI SCHEMA

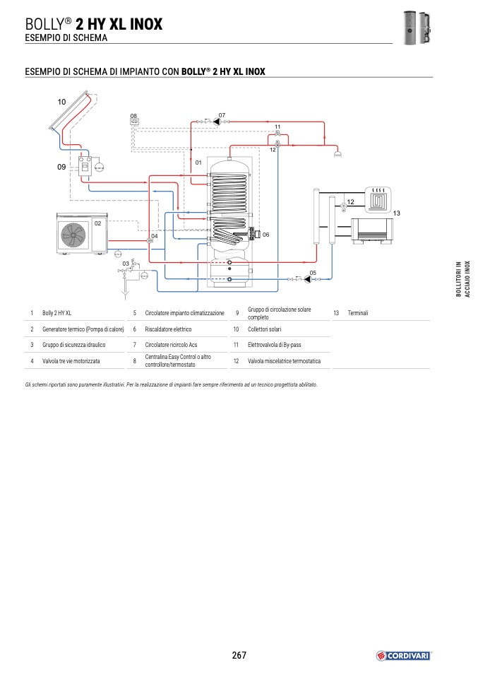
ESEMPIO DI SCHEMA DI IMPIANTO CON BOLLY

®

2 HY XL INOX

10

08

07

01

04

Circolatore impianto climatizzazione

9

Riscaldatore elettrico

10

Circolatore ricircolo Acs

11

Centralina Easy Control o altro

12

controllore/termostato

09

11

E

M

12

06

1 Bolly2HYXL

5

2 Generatore termico (Pompa di calore) 6

3 Gruppo di sicurezza idraulico

7

4 Valvola tre vie motorizzata

8

Gruppo di circolazione solare

13

completo

Collettori solari

Elettrovalvola di By-pass

Valvola miscelatrice termostatica

Terminali

02

03

Gli schemi riportati sono puramente illustrativi. Per la realizzazione di impianti fare sempre riferimento ad un tecnico progettista abilitato.

267

05

12

M

13

E

B

O

L

L

I

T

O

R

I

I

N

A

C

C

I

A

I

O

I

N

O

X