SIDE BLOW

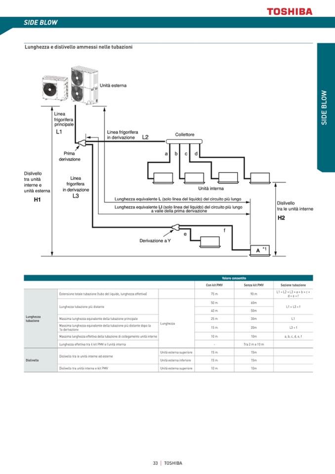
Lunghezza e dislivello ammessi nelle tubazioni

Unità esterna

Linea

frigorifera

principale

L1

Linea frigorifera

in derivazione L2

Collettore

Dislivello

tra unità

interne e

unità esterna

H1

Linea

frigorifera

in derivazione

L3

Unità interna

Lunghezza equivalente L (solo linea del liquido) del circuito più lungo

Lunghezza equivalente LI (solo linea del liquido) del circuito più lungo

a valle della prima derivazione

f

Dislivello

tra le unità interne

H2

Sezione tubazione

L1 + L2 + L3 + a + b + c +

d+ e + f

L1 + L3 + f

L1

L3 + f

a, b, c, d, e, f

Prima

a

b

c

d

derivazione

Estensione totale tubazione (tubo del liquido, lunghezza effettiva)

Lunghezza tubazione più distante

Massima lunghezza equivalente della tubazione principale

Massima lunghezza equivalente della tubazione più distante dopo la

1a derivazione

Massima lunghezza effettiva della tubazione di collegamento unità interne

Lunghezza effettiva tra il kit PMV e l’unità interna

Dislivello tra le unità interne ed esterne

Dislivello tra unità interna e kit PMV

Lunghezza

Con kit PMV

75 m

50 m

40 m

25 m

15 m

10 m

-

15 m

15 m

10 m

Senza kit PMV

90 m

60m

50m

30m

20m

10m

Tra 2 m e 10 m

15m

15m

10m

Derivazione a Y

33

TOSHIBA

Unità esterna superiore

Unità esterna inferiore

Unità esterna superiore

e

S

I

D

E

B

L

O

W

A *1

Valore consentito

Lunghezza

tubazione

Dislivello