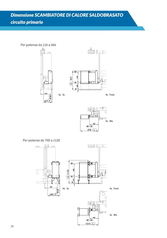
Dimensione SCAMBIATORE DI CALORE SALDOBRASATO

circuito primario

Per potenze da 210 a 560

28

Per potenze da 700 a 1120