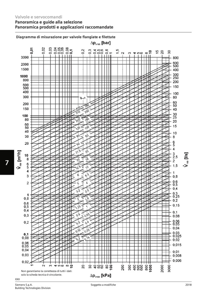
Diagramma di misurazione per valvole flangiate e filettate

7

Valvole e servocomandi

Panoramica e guide alla selezione

Panoramica prodotti e applicazioni raccomandate

Non garantiamo la correttezza di tutti i dati:

solo la scheda tecnica è vincolante.

XXII

Siemens S.p.A.

Soggetto a modifiche

2018

Building Technologies Division