01

ESEMPI DI IMPIANTO

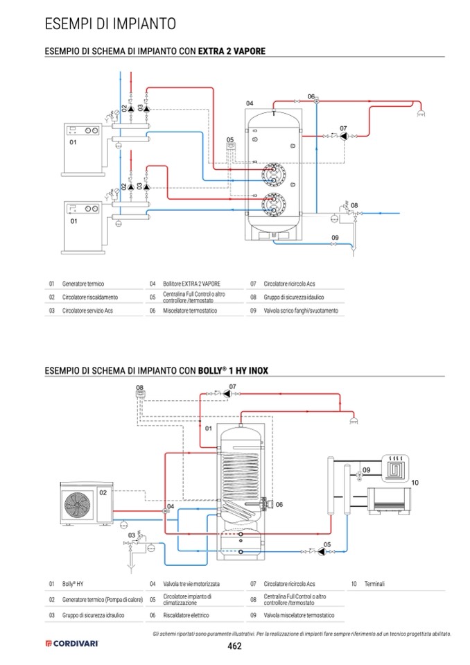
ESEMPIO DI SCHEMA DI IMPIANTO CON EXTRA 2 VAPORE

01 Generatore termico

02 Circolatore riscaldamento

03 Circolatore servizio Acs

04 Bollitore EXTRA 2 VAPORE

05

Centralina Full Control o altro

controllore /termostato

06 Miscelatore termostatico

07 Circolatore ricircolo Acs

08 Gruppo di sicurezza idaulico

09 Valvola scrico fanghi/svuotamento

ESEMPIO DI SCHEMA DI IMPIANTO CON BOLLY

®

1 HY INOX

02

01 Bolly

®

HY

04

02 Generatore termico (Pompa di calore) 05

03 Gruppo di sicurezza idraulico

06

Valvola tre vie motorizzata

Circolatore impianto di

climatizzazione

Riscaldatore elettrico

10

Terminali

03

08

07

01

04

06

07 Circolatore ricircolo Acs

04

05

06

07

08

09

08

Centralina Full Control o altro

controllore /termostato

09 Valvola miscelatore termostatico

Gli schemi riportati sono puramente illustrativi. Per la realizzazione di impianti fare sempre riferimento ad un tecnico progettista abilitato.

462

05

09

M

10

01

0

2

0

2

0

3

0

3

E