ESEMPI DI IMPIANTO

ESEMPIO DI SCHEMA DI IMPIANTO CON BOLLYTERM

®

HP NET

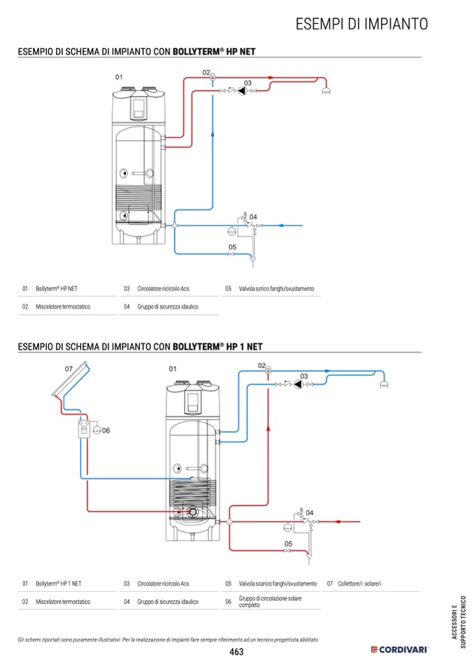
01

02

03

01 Bollyterm

®

HP NET

02 Miscelatore termostatico

03 Circolatore ricircolo Acs

04 Gruppo di sicurezza idaulico

04

05

05 Valvola scrico fanghi/svuotamento

ESEMPIO DI SCHEMA DI IMPIANTO CON BOLLYTERM

®

HP 1 NET

07

01

02

03

06

01 Bollyterm

®

HP 1 NET

02 Miscelatore termostatico

03

04

Circolatore ricircolo Acs

Gruppo di sicurezza idaulico

04

05

05 Valvola scarico fanghi/svuotamento

06

Gruppo di circolazione solare

completo

07 Collettore/i solare/i

Gli schemi riportati sono puramente illustrativi. Per la realizzazione di impianti fare sempre riferimento ad un tecnico progettista abilitato.

463

A

C

C

E

S

S

O

R

I

E

S

U

P

P

O

R

T

O

T

E

C

N

I

C

O