ESEMPI DI IMPIANTO

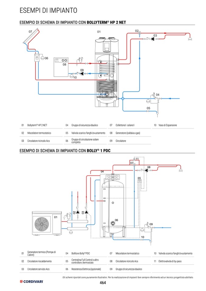
ESEMPIO DI SCHEMA DI IMPIANTO CON BOLLYTERM

®

HP 2 NET

07

01

06

02

03

01 Bollyterm

®

HP 2 NET

02 Miscelatore termostatico

03 Circolatore ricircolo Acs

04 Gruppo di sicurezza idaulico

07

05 Valvola scarico fanghi/svuotamento 08

06

Gruppo di circolazione solare

09

completo

04

05

10 Vaso di Espansione

ESEMPIO DI SCHEMA DI IMPIANTO CON BOLLY

®

1 PDC

04

01

Generatore termico (Pompa di

Calore)

02 Circolatore riscaldamento

03 Circolatore servizio Acs

04 Bollitore Bolly

®

PDC

05

Centralina Full Control o altro

controllore /termostato

06 Resistenza Elettrica (opzionale)

10 Valvola scarico fanghi/svuotamento

11 Elettrovalvola di by-pass

09

10

Collettore/i solare/i

Generatore (caldaia a gas)

Circolatore

E

11

07

08

05

09

10

07 Miscelatore termostatico

08 Circolatore ricircolo Acs

09 Gruppo di sicurezza idaulico

Gli schemi riportati sono puramente illustrativi. Per la realizzazione di impianti fare sempre riferimento ad un tecnico progettista abilitato.

464

08

06

0

2

0

3

01