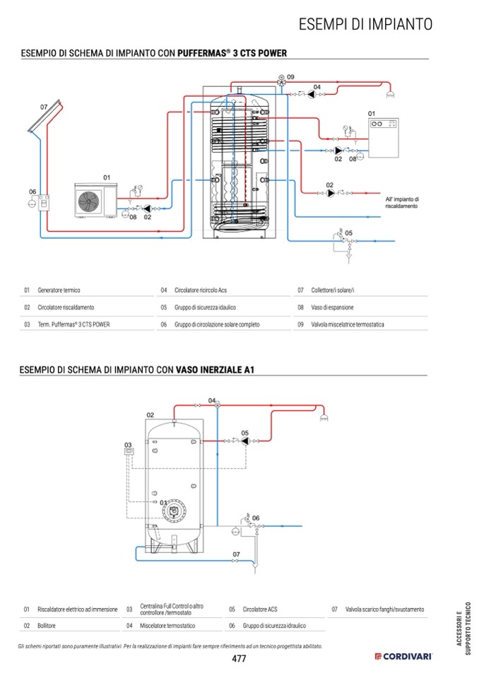
ESEMPIO DI SCHEMA DI IMPIANTO CON PUFFERMAS

®

3 CTS POWER

M

09

07

06

01

01 Generatore termico

02 Circolatore riscaldamento

03 Term. Puffermas

®

3 CTS POWER

04 Circolatore ricircolo Acs

05 Gruppo di sicurezza idaulico

06 Gruppo di circolazione solare completo

07 Collettore/i solare/i

08 Vaso di espansione

09 Valvola miscelatrice termostatica

01

02 08

02

08 02

ESEMPIO DI SCHEMA DI IMPIANTO CON VASO INERZIALE A1

04

01 Riscaldatore elettrico ad immersione 03

Centralina Full Control o altro

controllore /termostato

02 Bollitore

04

Miscelatore termostatico

05

Circolatore ACS

06

Gruppo di sicurezza idraulico

07 Valvola scarico fanghi/svuotamento

O

C

I

E

I

R

N

C

E

O

S

T

O

T

E

C

R

O

P

A

P

U

S

02

03

05

06

07

01

Gli schemi riportati sono puramente illustrativi. Per la realizzazione di impianti fare sempre riferimento ad un tecnico progettista abilitato.

477

ESEMPI DI IMPIANTO

04

05

All' impianto di

riscaldamento