ESEMPI DI IMPIANTO

ESEMPIO DI SCHEMA DI IMPIANTO CON MODULO PRS - PER ACCUMULO ACS

04

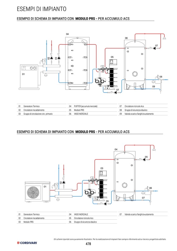
01 Generatore Termico

02 Circolatore riscaldamento

03 Gruppo di circolazione circ. primario

04 PUFFER (accumulo inerziale)

05 Modulo PRS

06 VASO INERZIALE

07 Circolatore ricircolo Acs

08 Gruppo di sicurezza idaulico

09 Valvola scarico fanghi/svuotamento

ESEMPIO DI SCHEMA DI IMPIANTO CON MODULO PRS - PER ACCUMULO ACS

04

03

05

01

01 Generatore Termico

02 Circolatore riscaldamento

03 Modulo PRS

04 VASO INERZIALE

05 Circolatore ricircolo Acs

06 Gruppo di sicurezza idaulico

05

06

07

07 Valvola scarico fanghi/svuotamento

Gli schemi riportati sono puramente illustrativi. Per la realizzazione di impianti fare sempre riferimento ad un tecnico progettista abilitato.

478

05

07

08

09

07

06

01

0

2

0

2

0

3