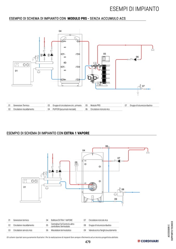
ESEMPIO DI SCHEMA DI IMPIANTO CON MODULO PRS - SENZA ACCUMULO ACS

04

01 Generatore Termico

02 Circolatore riscaldamento

03 Gruppo di circolazione circ. primario

04 PUFFER (accumulo inerziale)

05 Modulo PRS

06 Circolatore ricircolo Acs

07 Gruppo di sicurezza idaulico

ESEMPIO DI SCHEMA DI IMPIANTO CON EXTRA 1 VAPORE

04

05

01 Generatore termico

02 Circolatore riscaldamento

03 Circolatore servizio Acs

Gli schemi riportati sono puramente illustrativi. Per la realizzazione di impianti fare sempre riferimento ad un tecnico progettista abilitato.

04 Bollitore EXTRA 1 VAPORE

05

Centralina Full Control o altro

controllore /termostato

06 Miscelatore termostatico

05

06

07

06

07

08

09

07 Circolatore ricircolo Acs

08 Gruppo di sicurezza idaulico

09 Valvola scrico fanghi/svuotamento

479

ESEMPI DI IMPIANTO

0

2

0

3

0

2

0

3

01

01

A

C

C

E

S

S

O

R

I

E

S

U

P

P

O

R

T

O

T

E

C

N

I

C

O