ESEMPI DI IMPIANTO

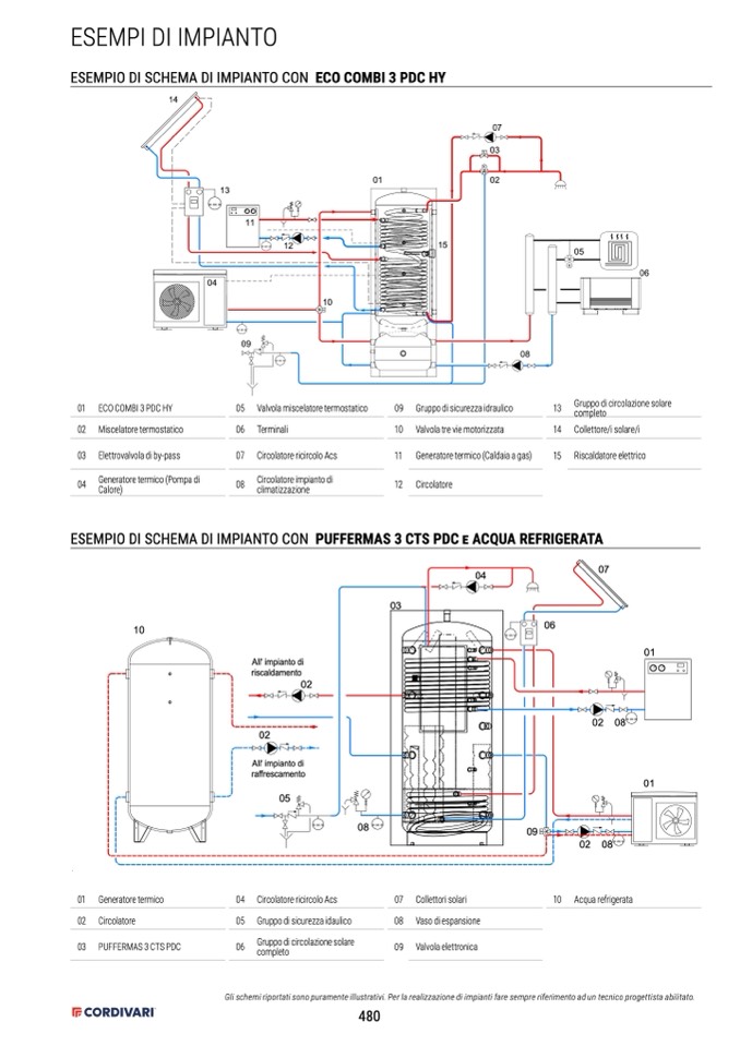
ESEMPIO DI SCHEMA DI IMPIANTO CON ECO COMBI 3 PDC HY

14

13

11

04

09

01

07

E

03

M

02

12

15

05

M

10

E

05

Valvola miscelatore termostatico

09

Gruppo di sicurezza idraulico

13

Gruppo di circolazione solare

completo

06

Terminali

10

Valvola tre vie motorizzata

14

Collettore/i solare/i

07

Circolatore ricircolo Acs

11

Generatore termico (Caldaia a gas)

15

Riscaldatore elettrico

08

Circolatore impianto di

12

climatizzazione

Circolatore

01 ECO COMBI 3 PDC HY

02 Miscelatore termostatico

03 Elettrovalvola di by-pass

04

Generatore termico (Pompa di

Calore)

ESEMPIO DI SCHEMA DI IMPIANTO CON PUFFERMAS 3 CTS PDC e ACQUA REFRIGERATA

10

01 Generatore termico

04 Circolatore ricircolo Acs

02 Circolatore

05

Gruppo di sicurezza idaulico

07 Collettori solari

08 Vaso di espansione

09 Valvola elettronica

02 08

10 Acqua refrigerata

03 PUFFERMAS 3 CTS PDC

06

Gruppo di circolazione solare

completo

All' impianto di

riscaldamento

02

02

All' impianto di

raffrescamento

05

08

09

E

03

04

06

07

01

02 08

01

Gli schemi riportati sono puramente illustrativi. Per la realizzazione di impianti fare sempre riferimento ad un tecnico progettista abilitato.

480

08

06