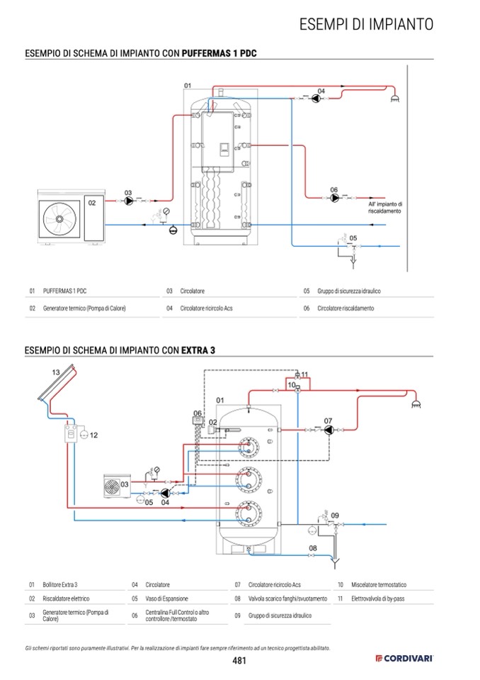
ESEMPIO DI SCHEMA DI IMPIANTO CON PUFFERMAS 1 PDC

01

04

06

05

ESEMPI DI IMPIANTO

03

01 PUFFERMAS 1 PDC

02 Generatore termico (Pompa di Calore)

All' impianto di

riscaldamento

02

03 Circolatore

04 Circolatore ricircolo Acs

05

06

Gruppo di sicurezza idraulico

Circolatore riscaldamento

ESEMPIO DI SCHEMA DI IMPIANTO CON EXTRA 3

13

E

11

10

01

06

02

07

09

08

12

03

05 04

01 Bollitore Extra 3

02 Riscaldatore elettrico

04

05

06

Circolatore

Vaso di Espansione

07

08

09

10 Miscelatore termostatico

Elettrovalvola di by-pass

Circolatore ricircolo Acs

Valvola scarico fanghi/svuotamento 11

03

Generatore termico (Pompa di

Calore)

Centralina Full Control o altro

controllore /termostato

Gruppo di sicurezza idraulico

Gli schemi riportati sono puramente illustrativi. Per la realizzazione di impianti fare sempre riferimento ad un tecnico progettista abilitato.

481