TACOTHERM DUAL PIKO | SMART CONNECT

DISEGNO QUOTATO

79

79195 195

111 3111 31

110 110

6

7

1

2

3

4

5

874 874

840 840

423.5 423.5

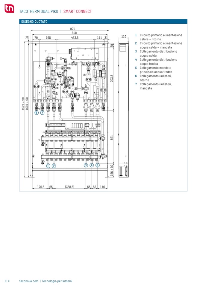
1 Circuito primario alimentazione

calore – ritorno

2 Circuito primario alimentazione

acqua calda – mandata

3 Collegamento distribuzione

acqua calda

4 Collegamento distribuzione

acqua fredda

5 Collegamento mandata

principale acqua fredda

6 Collegamento radiatori,

ritorno

7 Collegamento radiatori,

mandata

T

e

c

n

o

l

o

g

i

a

p

e

r

s

i

s

t

e

m

i

1

5

6

+

9

0

1

5

6

+

9

0

5

9

1

5

9

1

7

0

3

.

8

7

0

3

.

8

5

0

5

0

1

5

2

1

+

9

0

1

5

0

1

+

9

0

2

0

2

0

1

5

2

1

+

9

0

1

5

0

1

+

9

0

176.6 1765.6

65 (358.5)(358.5) 65 656511605 110

114

taconova.com | Tecnologia per sistemi

9