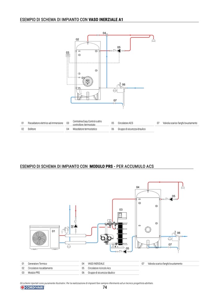
ESEMPIO DI SCHEMA DI IMPIANTO CON VASO INERZIALE A1

04

01 Riscaldatore elettrico ad immersione 03

02 Bollitore

04

Centralina Easy Control o altro

controllore /termostato

Miscelatore termostatico

Circolatore ACS

Gruppo di sicurezza idraulico

07 Valvola scarico fanghi/svuotamento

02

03

05

06

07

05

06

01

ESEMPIO DI SCHEMA DI IMPIANTO CON MODULO PRS - PER ACCUMULO ACS

0

2

01

01 Generatore Termico

02 Circolatore riscaldamento

03 Modulo PRS

05

04 VASO INERZIALE

05 Circolatore ricircolo Acs

06 Gruppo di sicurezza idaulico

Gli schemi riportati sono puramente illustrativi. Per la realizzazione di impianti fare sempre riferimento ad un tecnico progettista abilitato.

74

03

05

06

07

07 Valvola scarico fanghi/svuotamento

04