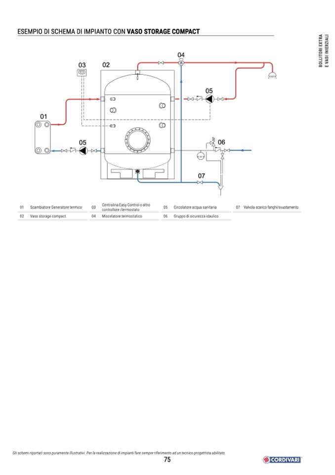
ESEMPIO DI SCHEMA DI IMPIANTO CON VASO STORAGE COMPACT

04

03

02

05

01

05

06

07

01

Scambiatore Generatore termico

03

02

Vaso storage compact

04

Centralina Easy Control o altro

controllore /termostato

Miscelatore termostatico

05

Circolatore acqua sanitaria

06

Gruppo di sicurezza idaulico

07 Valvola scarico fanghi/svuotamento

Gli schemi riportati sono puramente illustrativi. Per la realizzazione di impianti fare sempre riferimento ad un tecnico progettista abilitato.

75

B

O

L

L

I

T

O

R

I

E

X

T

R

A

E

V

A

S

I

I

N

I

E

R

Z

I

A

L

I