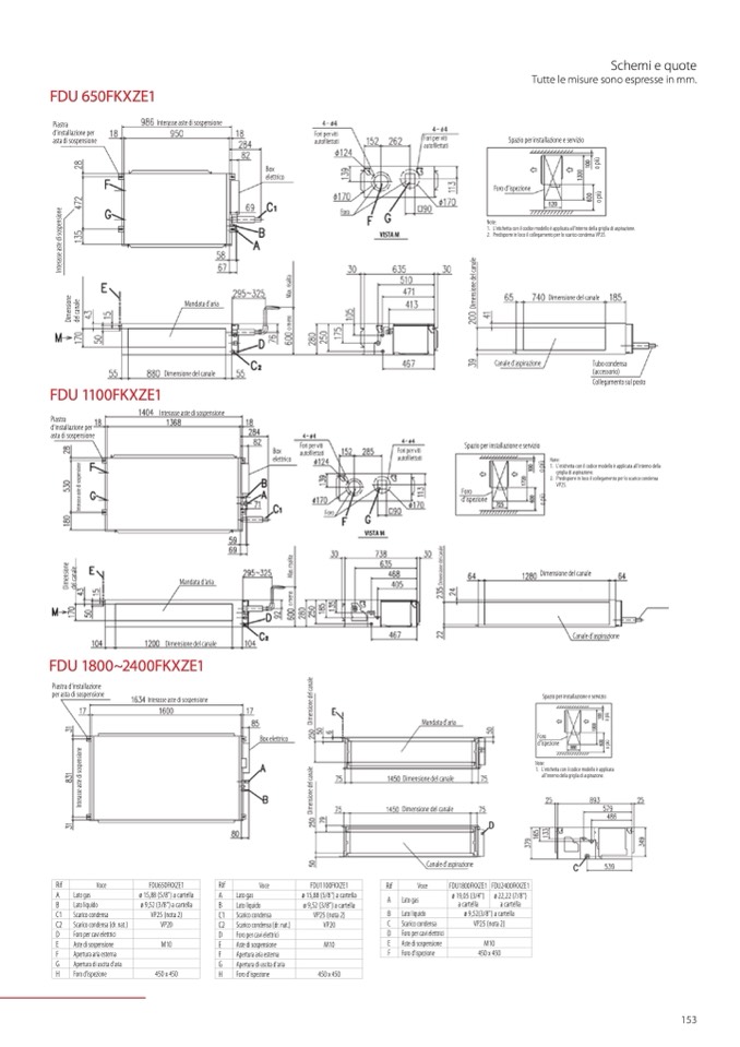
FDU 650FKXZE1

Piastra

d'installazione per

asta di sospensione

Interasse aste di sospensione

Schemi e quote

Tutte le misure sono espresse in mm.

Spazio per installazione e servizio

Foro d'ispezione

Note:

1. L'etichetta con il codice modello è applicata all'interno della griglia di aspirazione.

2. Predisporre in loco il collegamento per lo scarico condensa VP25.

FDU 1100FKXZE1

FDU 1800~2400FKXZE1

Piastra d'installazione

per asta di sospensione

Interasse aste di sospensione

Mandata d'aria

Dimensione del canale

Dimensione del canale

Tubo condensa

(accessorio)

Collegamento sul posto

Note:

1. L'etichetta con il codice modello è applicata all'interno della

griglia di aspirazione.

2. Predisporre in loco il collegamento per lo scarico condensa

VP25.

Dimensione del canale

Canale d'aspirazione

Spazio per installazione e servizio

Foro

d'ispezione

Note:

1. L'etichetta con il codice modello è applicata

all'interno della griglia di aspirazione.

Mandata d'aria

Dimensione del canale

Box

elettrico

Fori per viti

autofilettati

Fori per viti

autofilettati

Foro

Foro

VISTA M

VISTA M

Foro

d'ispezione

Canale d'aspirazione

Piastra

d'installazione per

asta di sospensione

Interasse aste di sospensione

Fori per viti

elettrico

autofilettati

Fori per viti

autofilettati

Spazio per installazione e servizio

Box

Box elettrico

Mandata d'aria

Dimensione del canale

Dimensione del canale

Canale d'aspirazione

Rif Voce FDU650FKXZE1

A Lato gas ø 15,88 (5/8") a cartella

B Lato liquido ø 9,52 (3/8") a cartella

C1 Scarico condensa VP25 (nota 2)

C2 Scarico condensa (dr. nat.) VP20

D Foro per cavi elettrici

E Aste di sospensione M10

F Apertura aria esterna

G Apertura di uscita d'aria

H Foro d'ispezione 450 x 450

Rif Voce FDU1100FKXZE1

A Lato gas ø 15,88 (5/8") a cartella

B Lato liquido ø 9,52 (3/8") a cartella

C1 Scarico condensa VP25 (nota 2)

C2 Scarico condensa (dr. nat.) VP20

D Foro per cavi elettrici

E Aste di sospensione M10

F Apertura aria esterna

G Apertura di uscita d'aria

H Foro d'ispezione 450 x 450

Rif

Voce

FDU1800FKXZE1 FDU2400FKXZE1

A

Lato gas

ø 19,05 (3/4")

a cartella

ø 22,22 (7/8")

a cartella

B Lato liquido ø 9,52(3/8") a cartella

C Scarico condensa

VP25 (nota 2)

D Foro per cavi elettrici

E Aste di sospensione

M10

F Foro d'ispezione

450 x 450

153

I

n

t

e

r

a

s

s

e

a

s

t

e

d

i

s

o

s

p

e

n

s

i

o

n

e

I

n

t

e

r

a

s

s

e

a

s

t

e

d

i

s

o

s

p

e

n

s

i

o

n

e

D

i

m

e

n

s

i

o

n

e

d

e

l

c

a

n

a

l

e

D

i

m

e

n

s

i

o

n

e

d

e

l

c

a

n

a

l

e

D

i

m

e

n

s

i

o

n

e

d

e

l

c

a

n

a

l

e

o

p

i

u

̀

o

p

i

u

̀

o

m

e

n

o

M

a

x

.

r

i

s

a

l

i

t

a

o

m

e

n

o

M

a

x

.

r

i

s

a

l

i

t

a

D

i

m

e

n

s

i

o

n

e

d

e

l

c

a

n

a

l

e

I

n

t

e

r

a

s

s

e

a

s

t

e

d

i

s

o

s

p

e

n

s

i

o

n

e

D

i

m

e

n

s

i

o

n

e

d

e

l

c

a

n

a

l

e

o

p

i

u

̀

o

p

i

u

̀

D

i

m

e

n

s

i

o

n

e

d

e

l

c

a

n

a

l

e

o

p

i

u

̀

o

p

i

u

̀